Cầu nâng cắt kéo là một hệ thống cầu nâng sửa chữa ô tô với rất nhiều tính năng khác nhau, với những cấu tạo chuyên dụng cho sửa chữa nhanh, kiểm tra gầm, khu làm lốp....Một thiết bị sửa chữa ô tô không thể thiếu tại các xưởng dịch vụ.

Một sản phẩm cầu nâng cắt kéo phổ thông
Mô tả chung về cầu nâng cắt kéo
Khoảng không gian của cầu nâng cắt kéo là cố định, được bắt chặt xuống đất và được thiết kế, sản xuất để nâng xe và đỗ xe ở trên cao.
Cầu nâng cắt kéo có thể lắp chìm hoặc lắp nổi tùy thuộc nhu cầu sử dụng của khách hàng
Cấu tạo chung của cầu nâng cắt kéo
Cầu nâng bao gồm 4 phần:
- Khung cố định ( cơ sở)
- Phần di động (tay nâng và mặt nâng)
- Phần nâng (bầu tích khí)
- Bộ phận an toàn

Hình ảnh chi tiết cầu nâng cắt kéo
Phần khung Cố định của cầu nâng cắt kéo
Nó bao gồm một khung cơ bản được làm từ các tấm thép hàn lại với nhau. Có lỗ để bắt xuống đất bằng các nở. Bên trong có lỗ để bắt các tay nâng và bảo vệ tay nâng.
Phần di động của cầu nâng cắt kéo
Nó bao gồm mặt sàn và cần bẩy 2 của các tấm hàn, gắn tới điểm cuối bằng một trục và kết nối tới khung.
Một giá đỡ được gắn với thanh kéo, giữ lại bằng một cái chốt, nó sẽ tự động chèn vào trong suốt quá trình nâng và khóa cầu nâng ở bãi đỗ xe ở trên cao.
Phần nâng của cầu nâng cắt kéo
Nó bao gồm bộ chấp hành sử dụng khí nén, kết nối bởi các ống. Thiết bị khí nén được điều khiển bởi một bàn đạp.
Thiết bị an toàn của cầu nâng cắt kéo
Các thiết bị an toàn gồm:
- Một sprag để khóa và giữ cầu ở trên cao
- Bảo vệ chân 2 bên
- Một công tắc hạn chế hành trình
- Một van khí an toàn
- Một khóa tay nâng chống quay
Những xe đặc biệt có thể được nâng lên tuy nhiên có tính đến hiệu suất của cầu nâng cắt kéo.
Ở khu vực an toàn cho người cũng phải phù hợp với kích thước đặc biệt của xe.
Phương pháp thử bằng cách dùng xe có kích thước lớn hơn để kiểm tra tải tối đa và sự mất cân bằng tải

Sử dụng cầu nâng cắt kéo tốt để tăng độ an toàn
Cầu nâng cắt kéo được thiết kế và sản xuất để nâng và dừng xe ở trên cao trong phòng kín dùng để sửa chữa kiểm tra. Sử dụng cầu nâng cắt kéo cho bất kỳ công việc nào khác là không được phép, và đặc biệt chúng không phù hợp cho các hoạt động sau:
- Dùng làm giàn giáo hoặc nâng người
- Nhấn để ép
- Nhổ vật gì
Nhà sản suất sẽ không chịu trách nhiệm về hư hại cho người hoặc xe hoặc đối tượng nào đó bị gây ra do việc sử dụng cầu nâng không đúng.
Nó vô cùng quan trọng trong quá trình nâng hạ cho những người vận hành cầu nâng, chỉ được vận hành điều khiển từ vị trí như hình biểu diễn. Không được phép cho bất cứ ai vào khu vực nguy hiểm như hình.


Chú ý chung khi vận hành sử dụng cầu nâng cắt kéo
Những người vận hành và những kỹ sư bảo trì có trách nhiệm tuân thủ các quy định của pháp luật và các tiêu chuẩn về phòng ngừa tai nạn ở khu vực nơi mà cầu nâng cắt kéo được lắp đặt.
Ngoài ra họ phải:
- Luôn vận hành ở các vị trí làm việc trong khu vực cho sẵn như hướng dẫn
- Không tháo bỏ hoặc ngắt những bộ phận cơ khí hoặc khí nén hoặc những bộ phận bảo vệ khác
- Chú ý đến các thông báo an toàn trong các tấm nhãn được gấn trên máy và trong hướng dẫn sử dụng
Nội dung hướng dẫn về các chú ý an toàn được nhấn mạnh sau:
DANGER: Chỉ ra các mối nguy hiểm có thể sắp xảy ra và gây nguy hại cho người (gây ra những chấn thương nghiêm trọng có thể dẫn đến tử vong)
CAUTION: Chỉ những tình huống nguy hiểm và/ hoặc những hành vi có thể gây nguy hại cho người (nhiều hoặc ít nghiêm trọng gây ra chấn thương và/ hoặc thậm chí tử vong)
CARE: Cho biết những tình huống và/ hoặc những hành vi có thể gây hại ở mức độ thấp cho người và thiệt hại cho cầu nâng hoặc gây nguy hại cho những thứ khác.
RICHS AND PROTECTIONS: Bây giờ chúng ta hãy xem xét những rủi ro cho những người vận hành và những kỹ sư bảo trì có thể xảy ra trong khi đỗ xe trên cầu nâng cắt kéo và những thiết bị bảo vệ của nhà sản xuất được áp dụng để tránh được những rủi ro đến mức tối thiểu:
- Theo chiều dài và chiều ngang: Chuyển động theo chiều dọc là chuyển động về phía trước hoặc phía sau cầu. Chuyển động sang ngang là chuyển động sang trái hoặc sang phải của một chiếc xe để có thể thực hiện công việc đặc biệt là trong quá trình cầu nần đang được nâng lên.

- Không được cố gắng di chuyển chiếc xe trong khi nó đang được khóa kẹp
Để an toàn cho người và thiết bị, điều quan trọng khi sử dụng cầu nâng cắt kéo là:
+ Chú ý quan sát khu vực làm việc an toàn trong khi nâng
+ Tắt máy và chèn xe cho an toàn
+ Vị trí chiếc xe phải chính xác
+ Chỉ được nâng xe không được vượt quá công suất nâng của cầu.
- Nguy cơ đè lên người: Trong khi mặt cầu và xe đang được hạ xuống kỹ thuật viên không được ở trong khu vực đưới chân cầu. Những người vận hành chỉ được vận hành cầu nâng sau khi đã kiêm tra không có ai ở trong vị trí nguy hiểm.


- Nguy cơ chuyển động xe: Do thực hiện các thao tác sẽ tạo ra lực tác dụng lên các xe. Nếu kích thước và trọng lượng lớn, những chuyển động hoặc sự mất thăng bằng sẽ xảy ra bất ngờ do quá tải. Do đó phải tránh tất cả những chuyển động như vậy.

- Nguy cơ chiếc xe bị rơi xuống: Nó có thể bị gây ra bởi vị trí chiếc xe không chính xác, do vị trí khóa của nó trên cầu không chính xác hoặc kích thước của nó không tương thích với cầu nâng cắt kéo.

- Đặc biệt không được trèo lên xe và nâng cầu nâng lên
- Không được di chuyển vào các bộ phận chuyển động của cầu nâng như chân cầu có thể bị kẹp, hoặc chiếc xe có thể bị rơi xuống

- Nguy cơ bị trượt: Do khu vực mặt sàn có các chất bôi trơn

- Giữ cho khu vực ở dưới và gần cầu nâng cắt kéo được sạch sẽ, không có vết dầu bẩn. Để ngăn nguy cơ bị trượt , sử dụng các phương tiện bảo hộ cá nhân được cung cấp (giày bảo hộ)
- Chiếu sáng không đủ: Những người vận hành hoặc những kỹ sư bảo trì phải kiểm tra tất cả các khu vực của cầu nâng luôn luôn được chiếu sáng đầy đủ và phù hợp với quy định hiện hành của khu vực lắp đặt.
- Nguy cơ các bộ phận bị lỗi hỏng trong quá trình vận hành: Nhà sản xuất đã sử dụng những vật liệu, lên kế hoạch và có quy trình sản xuất phù hợp, dự tính cho việc sử dụng và thiết kế để tạo ra một cầu nâng cắt kéo an toàn, tin cậy, nhưng sử dụng nó cần thiết phải được tôn trọng theo đúng như thiết kế cũng như tần suất kiểm tra, bảo dưỡng định kỳ đã được nhà sản xuất cung cấp
- Rủi ro cho người không được phép sử dụng: Những người không được phép vào khu vực mặt sàn trong thời gian nâng hay khi chiếc xe đã được nâng lên.
Bất kỳ việc sử dụng cầu nâng cắt kéo nào khác với tiết kế của nó, có thể gây ra tai nạn, thậm chí là rất nghiêm trọng cho những người thực hiện công việc và những người gần đó.
Do đó việc thực hiện các nguyên tắc liên quan đến việc sử dụng bảo dưỡng luôn phải được đề cao
Quy trình lắp đặt cầu nâng cắt kéo
Những hoạt động lắp đặt được nhà sản xuất ủy nhiệm cho kỹ sư của các đại lý ủy quyền tất cả đều phải được đào tạo bài bản kỹ lưỡng. Nếu được thực hiện bởi người khác thì họ có thể gây ra nguy hiểm hoặc những hư hại nghiêm trọng cho người hoặc cầu nâng cắt kéo.
Kiểm tra trước khi lắp đặt cầu nâng cắt kéo
Cầu nâng cắt kéo được thiết kế để lắp đặt trong phòng kín hoặc nơi có mái che bởi vì còn liên quan đến hệ thống điện đi kèm. Không được để chúng ở gần nơi rửa xe hoặc sơn xe, của hàng pha sơn hoặc phòng xử lý chế biến có thể tạo ra những chất dễ gây cháy nổ
Kiểm tra sự phù hợp của kích cỡ trong phòng và các khoảng cách an toàn
Cầu nâng được lắp đặt có một khoảng cách an toàn so với tường, cột, các máy khác.. theo những quy định hiện hành của nơi lắp đặt, tạo điều kiện thuận lợi nhất cho người thao tác sửa chữa.
Kiểm tra cụ thể:
- Độ cao: Xem chiều cao của xe được nâng lên, tính đến khả năng cao nhất, chiều cao nâng của mặt bàn nâng là 500mm
- Khoảng cách tới tường: Nhỏ nhất là 500mm
- Không gian làm việc: Nhỏ nhất là 500mm, cao hơn kích thước của chiếc xe được nâng.
- Khoảng không gian để thực hiện điều khiển
- Không gian để bảo trì, có đường để vào và thoát ra trong trường hợp khẩn cấp
- Có vị trí lắp đặt tương đối so với các xe khác
- Phải có khả năng để thực hiện các công việc đấu điện
Hệ thống ánh sáng
Tất cả các khu vực xung quanh cầu nâng cắt kéo phải được cung cấp ánh sáng đầy đủ để chắc chắn đảm bảo được cho các hoạt động bảo trì, vận hành, điều chỉnh như trong cuốn hướng dẫn của nhà sản xuất, tránh khu vực có bóng râm, bị phản xạ ánh sáng và làm lóa mắt.
Hệ thống chiếu sáng được lắp đặt phải theo quy định ở khu vực nơi cầu nâng được lắp đặt (lắp đặt hệ thống chiếu sáng phải cẩn thận)
Quy định về nền móng lắp cầu nâng cắt kéo
Cầu nâng cắt kéo phải được lắp đặt ở trên mặt nền bê tông có độ dầy nhỏ nhất 100mm, khả năng chịu lực >30N/mm2
Ngoài ra mặt sàn phải nhẵn và bằng phẳng
Trong trường hợp đặc biệt gọi cho nhà sản xuất để đảm bảo an toàn sau khi lắp đặt
Quá trình lắp đặt cầu nâng cắt kéo
Những người không có nhiệm vụ không được vào khu vực lắp đặt
- Đặt bao bì chứa cầu nâng trên mặt đất và sau đó mở nó ra, lấy các phụ kiện ra ngoài. Các vật liệu dùng để đóng gói phải được xử lý hoặc tái chế theo quy định hiện hành tại khu vực nơi cầu nâng được lắp đặt.
- Chọn vị trí cầu nâng được lắp đặt
- Sử dụng súng khí nén cấp khí vào cầu nâng, vào các đường ống có đường kính lớn nhất cho đến khi nó được nâng lên và bắt nó được an toàn

- Không bao giờ được nâng cầu nâng lên bằng cách kéo mặt cầu nâng lên, điều này có thể gây hư hại nghiêm trọng cho thiết bị sử dụng khí nén.
- Trượt cầu nâng ra khỏi pallet và đặt nó ở vị trí lựa chọn, đảm bảo rằng khung của cầu nâng chạm vào mặt nền ở tất cả các điểm được chọn, chêm ở dưới khung.
- Kết nối đường ống khí để cấp khí, sử dụng một ống khí nén tối thiểu 8mm và giắc đực ¼“

- Hệ thống khí nén phải được lọc và điều chỉnh áp suất vì áp suất cấp phải cao hơn 8 bar
- Lắp các bảo vệ chân bằng cách sử dụng các vit lắp lò xo, chèn thanh và chặn nó lại bằng chốt khóa.
- Khoan xuống mặt sàn bằng mũi khoan đường kính 15mm, sâu 70mm bằng cách sử dụng các lỗ có sẵn ở bên cạnh như một khuôn để khoan. Làm sạch các lỗ, cắm các ốc nở hoàn toàn vào sàn bắt chặt nó lại với mô men xoắn 20Nm


Tăng hoặc giảm các vị trí bằng các chêm

Lắp các tay nâng (tùy chọn)
Hai tay nâng bên phải và bên trái
- Mang tất cả các tay nâng vào vị trí ở trên mặt sàn đặt vào lỗ khoan sẵn của nó
- Khóa tay nâng bằng các vit ở phía trên và bên cạnh, để cho nó song song với mặt cầu nâng
- Lấy các vít dài hơn và định vị vào các lỗ bên cạnh và chèn nó vào bằng các miếng đệm đặt giữa hai tấm.


- Xiết tất cả các ốc vít với mô men 40Nm
- Kiểm tra hoạt động của các khóa khi cầu nâng hạ xuống hoàn toàn bằng cách kiểm tra sự xoay tự do của các tay nâng, có thể quay ngược lại các ốc vít để kiểm tra sự hoạt động


- Tay cầu nâng cắt kéo phải quay tự do khi cầu nâng hạ xuống hoàn toàn. Thay vào đó nó phải tự động khóa khi cầu nâng được nâng lên.
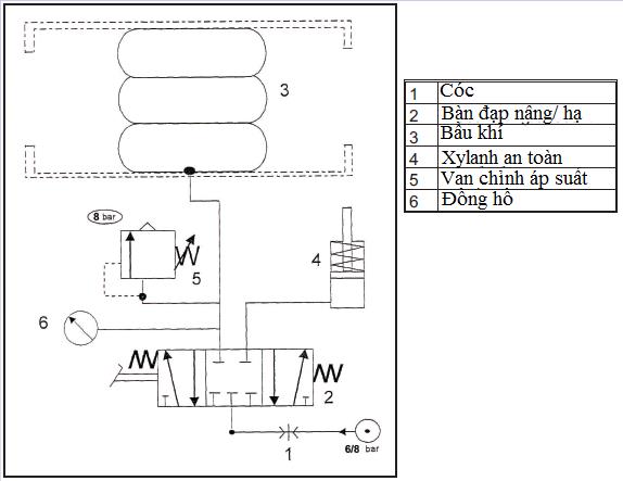
Quá trình vận hành cầu nâng cắt kéo
Những thao tác khi làm việc:
Để nâng:
Nhấn bàn đạp vị trí một như hình:
Mặt bàn nâng được nâng lên đến vị trí cao nhất cho đến khi ta giữ bàn đạp chân
Chú ý:
khi cầu nâng đã lên đến độ cao tối đa thì nó sẽ không tăng được lên nữa vì các cơ cấu cơ khí sẽ hạn chế nó. Nếu vẫn tiếp tục nhấn bàn đạp thì van xả sẽ ngắt và tự động xả dầu thừa ra ngoài.
Để hạ:
hãy nhấn bàn đạp ở vị trí 2 như hình.
Khí nén trong xylanh sẽ được xả ra và mặt bàn nâng dần dần hạ xuống. Nếu nhả bàn đạp ra thì mặt sàn sẽ dừng lại
Chú ý:
Nếu nhấn để hạ mà mặt bàn nâng không xuống thì nhấn cho nó lên một chút để cho nó mở khóa an toàn ra và sau đó nhấn nó lại một lần nữa để hạ.


Trước khi bắt đầu hạ hãy chắc chắn rằng khu vực xung quanh không có người hoặc dụng cụ ở quanh vị trí hạ cầu nâng cắt kéo
Để vận hành được tốt thì tải trọng cần phải được cân bằng, cần phải xác định vị trí đúng trên mặt bàn nâng.
- Với những xe động cơ đặt trước, phía sau xe có thể dài hơn



- Với những động cơ đặt sau, đằng trước có thể dài hơn



Vị trí xe trên tay nâng
Sau khi đã xác định vị trí của xe như trên hình thì đưa tay nâng xuống dưới gầm xe
Xe chuyển động phía trên tay nâng, các thao tác với tay nâng và đĩa hỗ trợ chỉ được thực hiện khi mặt bàn nâng hạ xuống ở vị trí thấp nhất.
Lưu ý: Không bao giờ được di chuyển xe khi đĩa hỗ trợ chưa tiếp xúc vào khung xe
Quy trình bảo dưỡng cầu nâng cắt kéo
Vấn đề bảo trì được ủy nhiệm riêng cho những nhân viên chuyên, những người mà hiểu biết tốt về cầu nâng.
Trong khi bảo trì cầu nâng cần thiết phải thực hiện các biện pháp để ngăn chặn sự vô tình khởi động của cầu nâng
Ghi nhớ:
- Những rủi ro có thể xảy ra
- Xem hướng dẫn an toàn ở chương 3
Quan trọng:
Để bảo trì được tốt.
- Chỉ được sử dụng các phụ tùng chính hãng và các dụng cụ thích hợp cho công việc thích hợp và ở trong tình trạng tốt.
- Tuân thủ các lộ trình được đưa ra trong hướng dẫn: Tần số bảo dưỡng được hiểu là thời gian tối đa để thực hiện bảo dưỡng
- Để bảo dưỡng tốt đòi hỏi phải có sự quan tâm và giám sát liên tục. Kiểm tra các sự cố và các nguyên nhân gây ra một cách kịp thời, ví dụ như tiếng ồn, nhiệt độ quá cao, rò rỉ dầu..
Bảo dưỡng định kỳ.
Để giữ cho cầu nâng hoạt động có hiệu quả tốt thì nó cần phải giữ được lịch trình bảo dưỡng đúng theo chỉ định.
Nếu không tuân thủ thì nhà sản xuất sẽ không chịu trách nhiệm gì cho việc bảo hành sản phẩm.
Lịch trình cụ thể được sử dụng trong những điều kiện hoạt động bình thường như bên dưới, còn trong những điều kiện đặc biệt khắc nghiệt thì yêu cầu lịch trình bảo dưỡng sẽ thay đổi.
Sau một tuần lắp đặt, kiểm tra:
- Siết lại các ốc bắt khung
- Siết lại tất cả các bu lông, vít( cần chú ý đến khóa tay cầu)
- Sự làm việc chính xác của hệ thống khí nén
- Trạng thái làm việc của tất cả các bộ phận chuyển động cũng như không chuyển đông của cầu nâng
Kiểm tra cầu nâng cắt kéo hàng tháng
- Nếu hệ thống không có thiết bị bôi trơn cần tra vài giọt dầu vào đầu vào hệ thống khí nén
- Siết lại các ốc bắt khung
- Xiết lại tất cả các ốc và vít bắt
- Kiểm tra sự làm việc của hệ thống khí nén
- Kiểm tra lại trạng thái của tất cả các bộ phận chuyển động cũng như không chuyển động của cầu nâng.
Kiểm tra cầu nâng 12 tháng
- Kiểm tra bằng mắt thường tất cả các kết cấu và cơ chế làm việc xem nó có gặp rắc rối hay trục trặc gì không
- Những công tắc chuyển đổi và hạn chế hành trình và hệ thống khí nén cần phải được kiểm tra bởi kỹ sư có chuyên môn ( gọi đến trung tâm dịch vụ)
Cách khắc phục khi cầu nâng cắt kéo có sự cố
Hướng dẫn xử lý sự cố
Bất kỳ những công việc sửa chữa và khắc phục sự cố nào yêu cầu cần phải xem kỹ những thông báo an toàn được chỉ dẫn trong cuốn hướng dẫn sử dụng của nhà sản xuất.
Khắc phục lỗi cầu nâng cắt kéo không hạ xuống được
- Kiểm tra áp suất của hệ thống khí nén
- Kiểm tra van khí điều khiển xy lanh khí nén của hệ thống an toàn làm việc có chính xác không
- Kiểm tra chốt an toàn có bị kẹt không
- Kiểm tra đường ống khí nén có bị hư hỏng không
Cầu nâng không nâng lên được
- Kiểm tra áp suất của hệ thống khí nén
- Kiêm rtra đường ống khí nén có bị hư hỏng không
Kiểm tra chốt an toàn
- Kiểm tra xy lanh khí nén hoạt động có tốt không
Nếu có những vấn đề như ở trên thì hãy gọi điện cho bộ phận dịch vụ sau bán hàng hoặc nhân viên kinh doanh để được trợ giúp kịp thời.
Ghi rõ nguồn gốc khi sao chép lại bài viết
Công ty cổ phần thiết bị Tân Phát
----------------------------------------------------------------------------------------------------------
Các bạn có thể tham khảo nhiều chủng loại cầu nâng cắt kéo tại:

Hỗ trợ
Hướng dẫn







Bình luận
Để lại bình luận