Cầu nâng 2 trụ sử dụng xylanh thủy lực của hãng TORIN là một sản phẩm mới của nằm trong hệ thống thiết bị cầu nâng xe thủy lực của công ty cổ phần thiết bị Tân Phát đơn vị cung cấp thiết bị sửa chữa ô tô hàng đầu Việt Nam, với mong muốn phục vụ người tiêu dùng một cách tốt nhất.
Một vài đặc điểm đáng chú ý của cầu nâng 2 trụ Torin
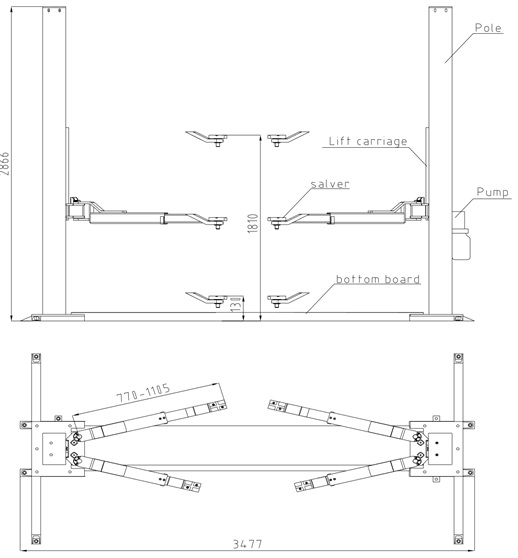
Cầu nâng ô tô 2 trụ Torin được thiết kế một cách nhỏ gọn hợp lý. Sử dụng điều khiển điện thủy lực giúp hoạt động êm hơn, mượt mà hơn. Máy có thang máy vận chuyển, thiết bị bảo vệ tránh bị rơi, chịu được tải trọng cao, thiết bị khóa góc tay nâng, và dây cáp bằng thép để vận chuyển thang. Tay cầu nâng 2 trụ hoạt động có tính linh hoạt mạnh mẽ và thuận tiện hơn cho người sử dụng. Cầu nâng 2 trụ là thiết bị không thể thiếu trong nghành sửa chữa ô tô.
Cầu nâng ô tô 2 trụ có thể được sử dụng trong việc nâng cao xe có tải trọng thấp hơn 4000 kg. Giúp người thợ kiểm tra, sửa chữa chúng ở độ cao thuận lợi nhất trong quá trình làm việc.
Thông số kỹ thuật chính của cầu nâng hai trụ Torin
|
Chú ý: Nếu sử dụng nguồn 220V cung cấp điện cho cầu nâng 2 trụ, người sử dụng nên mua một máy điều áp để ổn định dòng điện nhằm bảo vệ mô tơ một cách tốt nhất, đảm bảo độ bền cho cầu nâng.
Đối với cầu nâng 2 trụ này thì điện 3 pha là phương án tốt nhất với dòng điện ổn định giúp bảo vệ mô tơ tăng tuổi thọ của thiết bị.
Cấu trúc cơ bản của cầu nâng 2 trụ Torin
- Bộ phận chính của cầu nâng đó chính là 2 trụ lớn, hai xy lanh thủy lực, bơm dầu thủy lực, tay cầu nâng.
- Dây cáp cầu nâng, Cơ cấu an toàn, Thiết bị khóa góc quay của tay nâng có thể vận hành đơn giản và an toàn
- Khi bạn nhấn nút công tắc, mô tơ bơm thủy lực sẽ hoạt động và tay cầu nâng sẽ đi lên. Nếu bạn bỏ ra, nó sẽ ngừng và muốn nó đi xuống, bạn chỉ cần kéo dây mở khóa an toàn sau đó mở tay cầm trên bơm dầu thủy lực.
- Tay nâng có thể quay và co rút. Chiều cao của giá kê có thể được điều chỉnh để cho phù hợp với các xe khác nhau. Khóa thiết bị được cài đặt trên bốn cánh tay nâng để khóa tự động góc làm việc của tay nâng. Khi di chuyển ở phía dưới, cánh tay nâng có thể quay tự do.

Cấu tạo của cầu nâng 2 trụ
Cơ cấu an toàn của cầu nâng 2 trụ Torin
Cầu nâng 2 trụ có thiết bị bảo vệ an toàn chống rơi khi không có áp suất và bảo vệ quá tải các đường ống dẫn dầu.

Cơ cấu an toàn của cầu nâng 2 trụ
Tấm giằng an toàn của cầu nâng được thiết kế trong giá nâng bên trái và bên phải. Khi tay cầu đi lên, tấm giằng an toàn được kéo bởi lò xo nhảy đặt trong trụ cầu nâng.
Khi không lên nữa, tấm giằng an toàn được kéo bởi lò xo và được khóa lại bảo vệ giá nâng không bị rơi xuống.
Nếu hạ cầu nâng 2 trụ, ta ấn công tắc thủy lực sẽ làm cho giá nâng đi lên một chút sau đó rút dây ở giá nâng bên trái và bên phải để mở khóa an toàn. Cuối cùng mở van giảm áp trên bơm thủy lực làm giá nâng đi xuống.
Cách lắp đặt và điều chỉnh cầu nâng 2 trụ Torin
Chú ý quan trọng:
Lỗi lắp đặt sẽ dẫn tới hư hỏng cầu nâng 2 trụ hoặc gây tai nạn cho người sử dụng. Nhà sản xuất sẽ không đảm nhận bất cứ trách nhiệm xảy ra do trực tiếp hay giàn tiếp lắp đặt và vận hành không đúng thiết bị này.
Lắp đặt đúng vị trí sàn ngang sẽ đảm bảo cầu nâng 2 trụ cân bằng. Sàn hơi dốc có thể điều chỉnh chuẩn bằng tấm chèn. Độ bày của tấm chèn không quá 5mm.
Không lắp đặt cầu nâng 2 trụ trên bất kỳ đường nhựa hoặc bất kỳ bề mặt sàn bê tông không phù hợp với các yêu cầu tối thiểu trong hướng dẫn này. Không lắp đặt cầu nâng trên bê tông với đường nối hoặc nứt và khiếm khuyết. Vui lòng kiểm tra cùng với các kiến trúc sư, hoặc liên hệ với công ty cổ phần thiết bị Tân Phát để nhận tư vấn.
Khoan kiểm tra bê tông, đây là công đoạn rất quan trọng trước khi tiến hành lắp đặt cầu nâng 2 trụ. Nhân viên lắp đặt có thể kiểm tra độ dày bê tông tại mỗi vị trí bằng cách khoan kiểm tra. Nếu nhiều cầu nâng 2 trụ được lắp đặt tại một nơi, cần phải khoan kiểm tra ở mỗi vị trí lắp cầu để đảm bảo an toàn tối đa trong quá trình sử dụng.
Tiến hành lắp đặt 2 trụ của cầu nâng
Đầu tiên kết nối và lắp ráp trụ điện và sau đó nâng cao trụ bên trên phải đến vị trí. Căn đế của cột với đường phấn đánh dấu. Được hướng dẫn bởi các lỗ trên đế của cột, khoan lỗ vào sàn bê tông và sử dụng năm bu lông nền cụ thể để giữ nó xuống đất.
Trong quá trình khoan, đảm bảo không dịch chuyển khỏi đường phấn đánh dấu.
Để có được sự chính xác và an toàn cài đặt, hãy làm theo các bước cài đặt sau:
1. Mang kính an toàn.
2. Sử dụng mũi khoan hợp kim cứng.
3. Không sử dụng mũi khoan với nền vượt quá khả năng chịu đựng.
4. Khoan và bề mặt bê tông phải được giữ vuông góc.
5. Hãy để khoan tự làm việc. Không ấn mạnh mũi khoan, và không khóet lỗ rộng thêm.
6. Chiều sâu khoan lỗ được dựa vào độ dài của bu lông neo. Khoảng cách từ đầu bu lông đển sàn bê tông nên nhiều hơn hai lần so với đường kính bulông.
7. Loại bỏ các bụi bẩn từ lỗ.
8. Nhẹ nhàng gõ bu lông vào lỗ cho đến khi đệm tỳ sát đế chân cột.
9. Vặn chặt các bu-lông của cầu nâng 2 trụ
Lắp đặt và điều chỉnh cân bằng dây cáp cầu nâng 2 trụ
Nâng hai giá nâng đến vị trí khóa an toàn (chắc chắn rằng khóa an toàn ở mỗi cột khớp vào hết trước khi tìm cách lắp cáp) và hai giá nâng ở vị trí tương đương (độ cao giống nhau).
Điều chỉnh độ căng của cáp cầu nâng 2 trụ thông qua đai ốc điều chỉnh ở mỗi đầu dây cáp. Dây cáp cần có độ căng giống nhau. Mỗi dây cáp cần đặt lên các ròng rọc khi điều chỉnh căng nếu không cáp sẽ bị hư hại, làm giảm độ bền của cáp cầu nâng
Lắp cụm bơm và đường dầu thủy lực của cầu nâng 2 trụ
Sử dụng hai bu long M10 và đệm long đen để lắp cụm bơm. Lắp đường ống thủy lực và siết chặt tất cả các đầu nối để ngăn dầu rò rỉ.
Đổ đầy bình dầu thủy lực của cầu nâng 2 trụ ( dung tích là 10L) làm cẩn thận để tránh chất bẩn và bụi lẫn vào dầu thủy lực.

Điều chỉnh xích của cầu nâng 2 trụ
Xích cầu nâng 2 trụ đã được điều chỉnh đúng bởi nhà sản xuất có tác dụng làm cho tay cầu di chuyển tự do ở vị trí thấp nhất mà không làm trầy xước nền. Khách hàng có thể điều chỉnh tốt hơn sau khi lắp hệ thống thủy lực, trước khi điều chỉnh, nâng giá nâng ở vị trí cao và thấp trong 2 giây để ăn khớp khóa an toàn, và sau đó điều chỉnh các đai ốc ở đầu ren của xích đến vị trí cần thiết.

Điều chỉnh và chạy thử cầu nâng 2 trụ
Trước khi điều chỉnh cầu nâng 2 trụ cần phải bôi trơn các bề mặt tiếp xúc của giá nâng và cạnh của trụ nâng với mỡ . Tất cả bề mặt trượt cần được phủ đều từ trên xuống dưới.
Đổ đủ dầu thủy lực CS 46 hoặc CS 68 vào bình dầu.
Tiến hành điều chỉnh:
- Kiểm tra lại xem nguồn điện của cầu nâng 2 trụ đã được lắp đúng chưa.
- Kiểm tra lại một lần nữa các bu lông của cầu nâng 2 trụ đã bắt chặt chưa.
- Nhấn nút UP để mô tơ khởi động thì giá cầu nâng đi lên. Thả nút UP thì giá cầu nâng dừng lại.
- Để hạ giá cầu nâng, đầu tiên kéo dây khóa trên giá cầu nâng bên trái và bên phải. Nếu nó không thể nhả khóa an toàn hãy ấn nút UP lại và sau đó kéo dây khóa , sau đó ấn nút DOWN, giá cầu nâng sẽ đi xuống, buông nút DOWN, giá nâng sẽ dừng lại.
- Khi xe đến độ cao cần thiết ấn nút DOWN, để chắc chắn khóa an toàn đóng lại. Đảm bảo an toàn khi sửa chữa dưới gầm.
- Hệ thống thủy lực có thể bị e khí khi mới lắp đặt. Thực hiện xả e và nâng hạ nhiều lần để hoàn thành việc điều chỉnh.
Sự cố và cách sửa chữa cầu nâng 2 trụ
|
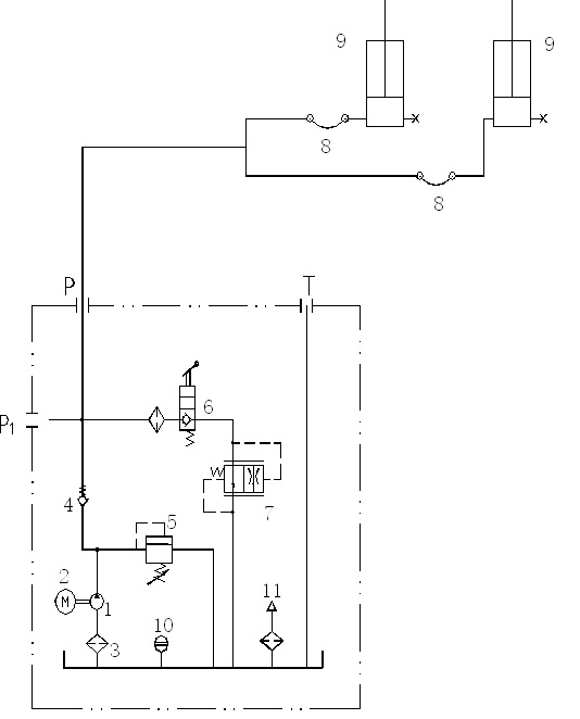
Sơ đồ hệ thống thủy lực của cầu nâng 2 trụ TORIN

------------------------------------------------------------------------------
Ghi rõ nguồn gốc khi sao chép lại bài viết
"Công ty cổ phần thiết bị Tân Phát "
Các bạn có thể tìm hiểu thêm về cầu nâng 2 trụ ở các bài viết dưới đây:
>>> Cầu nâng ô tô nào được người tiêu dùng đánh giá tốt?
>>> Các sản phẩm cầu nâng ô tô 2 trụ phổ biến trên thị trường

Hỗ trợ
Hướng dẫn








Bình luận
Để lại bình luận