Máy ra vào lốp kiểu bán tự động được thiết kế, chế tạo phục vụ trong việc ra vào lốp một cách dễ dàng, giảm thiểu thời gian và có độ an toàn cao cho người lẫn la zăng.
Một gara hay một tiệm làm lốp thiếu thiết bị này cũng như đang thiếu tay chân cửa mình. Thực hiện công việc bằng phương pháp thủ công coi như mình đang dần làm mất đi thương hiệu và độ uy tin của mình.
Tuy nhiên để sử dụng tốt thiết bị chúng ta cần phải được hướng dẫn sử dụng máy ra vào lốp một cách cụ thể để tranh khỏi những sai sót trong quá trình sử dụng
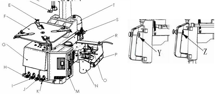
Các bộ phận chính của thiết bị ra vào lốp Decar TC940R

Máy ra vào lốp BON TC940
A. Trục đứng có lò xo
B. Nút khóa van bằng tay
C. Trục tiết diện lục giác
D. Đầu móc (mỏ vịt)
E. Chấu cặp (hàm cặp)
G. Bảng điều khiển phía trước
H. Bàn đạp điều khiển độ nghiêng cột đứng U
I. Bàn đạp điều khiển chấu cặp
J. Bàn đạp ép lốp
K. Bàn đạp xoay mâm cặp (mâm xoay)
L. Đòn bẩy (xà beng - lavia)
M. Giá tỳ lốp
N. Tấm blết (lưỡi) ép lốp
O. Cần điều khiển lưỡi ép lốp
P. Tay ép lốp
Q. Xi lanh kẹp
R. Xi lanh ép
S. Van điều chỉnh khí nén
T. Bình khí
U. Cột đứng
V. Hộp đồng hồ đo bơm lốp
W. Tay ngang
X. Khóa xi lanh
Thông số kỹ thuật của máy cân bằng lốp Decar TC 940
| Kích thước kẹp bên trong (inch) | 10 - 20 | 
| Kích thước kẹp bên ngoài (Inch) | 12 - 24 | 
| Kích thước lốp tối đa (inch) | 24 (610 mm) | 
| Bề rộng lốp tối đa | 12 (305 mm) | 
| Lực ép lốp (10 bar) | 2500 Kg | 
| Áp suất làm việc | 10 bar (145PSI) | 
| Áp suất bơm lốp tối đa | 3,5 bar (50 PSI) | 
| Áp lực | 
 | 
| Nguồn cấp | 220V/ 380V 230V/ 400V 3 PHA | 
| 110V 220V 230V 1 PHA | |
| Công suất mô tơ | 0,75 (3 pha, một tốc độ) | 
| 0,85/ 1,1 kw (3 pha, hai tốc độ) | |
| 1,1 kw (một tốc độ) | |
| Tốc độ quay | 7 - 14 vòng/ phút | 
| Momen xoắn trục chính lớn nhất | 1200 Nm | 
| Kích thước đóng gói | 1400 x 880 x 980 mm | 
| Trọng lượng | 243 kg STND 310 kg GT | 
| Độ ồn | < 70 dB (A) | 
| Nhiệt độ môi trường | - 5 0C ~ 450C | 
| Độ ẩm | 30% ~ 95% | 
| Độ cao so với mực nước biển | Lớn nhất 1.000 m | 
Lắp đặt thiết bị ra vào lốp Decar TC940
Lựa chọn không gian lắp đặt
Máy ra vào lốp phải được kết nối với nguồn điện và khí nén, do đó vị trí đặt máy nên để gần với vị trí có nguồn điện và nguồn khí nén để đảm bảo các bộ phận của máy làm việc chính xác và đạt hiệu suất cao nhất.
Khi lựa chọn vị trí lắp đặt thiết bị cần đảm bảo rằng vị trí đó thỏa mãn các quy định về an toàn không những cho thiết bị mà còn cho cả người vận hành máy nữa.
Khi đặt thiết bị ra vào lốp tránh ánh nắng mặt trời chiếu trực tiếp vào , tránh mưa. Để bảo đảm độ bên cho máy móc và tuổi thọ cao cho thiết bị .

Khi sắp xếp không gian cho máy ra vào lốp mọi vị trí như phía sau, mặt trái mặt phải của thiết bị tháo lốp phải các tối thiểu tường hoặc thiết bị khác là 500mm.
Phải cố định máy ra vào lốp với nền nhà một cách chắc chắn, bằng những bu lông cấy hoặt vít nở. Tránh cho máy di chuyển khi đang hoạt động , làm mất an toàn cho người và thiết bị.
Lắp ghép các bộ phận của máy thay lốp
Lắp cột
Đọc kỹ hướng dẫn sử dụng trước khi lắp đặt, mọi sửa đổi các bộ phận của thiết bị không theo nhà sản xuất có thể gây hư hỏng cho thiết bị và tai nạn cho người lắp đặt.
Người lắp đặt phải có kiến thức chuyên môn về điện.
Người vận hành thiết bị phải được đào tạo bởi người có chuyên môn hoặc được ủy quyền.
Kiểm tra kỹ danh mục các thiết bị, phụ kiện, nếu có sai khác liên hệ với các đại lý hoặc nhà sản xuất. Để đảm bảo các bước lắp đặt là chính xác và nhanh chóng bạn nên chuẩn bị một số dụng cụ phổ biến như: Hai cờ lê (10”), đầu khẩu, cờ lê nhanh, tô vít, đồng hồ vạn năng, .v.v. ( nhân viên kỹ thuật của công ty Tân Phát đã được đào tạo một chách chuyên nghiệp và bài bản )
Mở bao bì đóng gói sản phẩm máy ra vào lốp
Để thiết bị và phụ kiện ra xa vị trí lắp đặt thiết bị và sử dụng chúng đúng cách. Cẩn thận tránh làm chầy xước sản phẩm
Đặt thân máy xuống vị trí cần đặt thiết bị thay lốp, phải cố định không cho dịch chuyển .Mở các gói sản phẩm kèm theo tránh để trực tiếp dưới nền.


Trượt các cột và lắp ống PU ở phía dưới vào đầu mở trên thân thiết bị . Điều chỉnh vị trí của cột sao cho vị trí trục xoay, ống lót trùng với lỗ khóa chốt trên thân thiết bị . Tháo đầu nút và các vòng đệm ở đầu trục xoay , điều chỉnh cho các mép đều nhau (mép cột thấp hơn 1mm so với thân máy). Lắp và vặn xiết lại các bu lông, nút với lực vặn (momen xoắn) là 70 Nm.

Nghiêng cột đứng đi một góc, cắt đầu dây hãm và đẩy đầu Piston xy lanh ra ngoài.
Dịch chỉnh sao cho các lỗ f 16 ở phía trước và sau cột lên phía trên giá, sao cho trùng khít. Tách các vòng đệm long đen hãm trên các đầu chốt và đưa chốt vào các lỗ f 16 rồi lắp lại các đệm long đen hãm.
Tiến hành lắp ráp các ống PU vào trong thân máy theo bước bằng cách chèn vào đầu ống chữ T của nguồn khí trong thiết bị thay lôp ô tô như trong hình.
Lắp đặt cánh tay và chắn bảo vệ ngang:
Tháo các đầu mũ ốc ở phía trước và các ốc bảo vệ ở phía đối diện và các ốc vít ở cuối của nắp đứng (hình 4-8C) và tháo nắp thẳng đứng.

Lắp đặt cánh tay và chắn bảo vệ ngang:
Tháo các đầu mũ ốc ở phía trước và các ốc bảo vệ ở phía đối diện và các ốc vít ở cuối của nắp đứng và tháo nắp thẳng đứng.
Tháo hộp đóng gói đựng nắp bảo vệ. Xoay mũ đai ốc trên đỉnh và vít hãm, lắp lò xo vào trục đứng, nắp đậy trục dọc và vít hãm và xiết lại như hình dưới đây.

Căn chỉnh vít cố định vị trí của hai cột bên: Nới lỏng các ốc vít hai bên và điều chỉnh khoảng cách giữa đầu của ốc vít và cạnh của cột đạt giá trị khoảng 0,03 mm và sau đó khóa vít.
Lắp đặt và kiểm tra nguồn khí
Kết nối đến nguồn khí, sử dụng khóa van khí nhấn nút khóa cánh tay ngang theo chỉ dẫn. Tiếp theo nhấn bàn đạp điều khiển độ nghiêng của cột đứng, để cột nghiêng về phía sau một góc khoảng 250. Tốc độ chuyển động nghiêng của cột đã được đặt sẵn khoảng 2 giây cho một lần gập, tuy nhiên sau một khoảng thời gian dài hoạt động, tốc độ này có thể nhanh hơn hoặc chậm hơn, khi đó có thể sử dụng van điều chỉnh tốc độ để điều chỉnh lại.
Nới lỏng đầu vặn, vặn van theo chiều kim đồng hồ để giảm tốc độ, vặn ngược chiều kim đồng hồ để tăng tốc độ. Sau khi điều chỉnh được tốc độ mong muốn bằng cách xoay van điều chỉnh thì nhấn đầu van xuống để khóa lại.
Lắp đặt lưỡi ép lốp
Tháo đai ốc khóa ở phía đầu trên cùng của thanh Piston xy lanh ép lốp và tháo các bu lông liên kết trên thân thiết bị ra vào lốp. Theo hiển thị trên hình dưới đây, đưa lưỡi ép vào đầu Piston, treo một đầu của tay lò xo ép lốp lên thân thiết bị và sau đó lắp các bulông vào thân thiết bị và các lỗ trên lưỡi ép rồi dùng các đai ốc, long đen và bu lông để kết nối và cố định. Xiết chặt các đai ốc khóa và thanh Piston xi lanh đầu ép. Treo đầu còn lại của tay lò xo đầu ép trên trục tay ép lốp. theo hình dưới đây.

( Lắp đặt theo thứ tự A-Z)
Lắp đặt và điều chỉnh nguồn khí nén
Lấy đồng hồ điều áp (điều chỉnh khí nén) ra khỏi hộp phụ kiện và lắp ống dẫn nguồn khí vào đầu vào của đồng hồ . Sau khi lắp đặt, đưa đầu nối nguồn khí vào bên trong hộp nối khí.
Chú ý: Khi lắp đặt, bạn nên ngắt (đóng) nguồn khí!
Lắp đặt và kết nối đồng hồ đo áp suất

Cố định bằng ốc vít sẵn có theo máy
Vận hành thử thiết bị máy thay lốp BON TC940
Trên máy ra vào lốp nhấn bàn đạp (K) xuống, mâm xoay sẽ xoay theo chiều kim đồng hồ. Nâng bàn đạp lên, mâm xoay sẽ xoay theo chiều ngược chiều kim đồng hồ.
Chú ý : Nếu mâm xoay không xoay giống như mô tả ở trên thì tiến hành đảo hai dây pha (dây lửa) trong số 3 dây của nguồn điện kết nối vào thiết bị.
Nhấn bàn đạp H, cột U sẽ nghiêng về phía sau. Nhấn tiếp một lần nữa, cột sẽ trở lại trạng thái làm việc ban đầu.
Nhấn bàn đạp I, 4 chấu cặp trên mâm cặp sẽ mở ra. Nhấn lại một lần nữa, 4 chấu kẹp sẽ đi vào.
Nhấn bàn đạp J, lưỡi ép mép lốp sẽ vào vị trí làm việc, nhấn tiếp một lần nữa nó sẽ trở lại vị trí ban đầu.
Khi núm tay van ở vị trí Y, tay công cụ U và tay ngang C sẽ được khóa. Khi núm tay van ở vị trí Z, tay công cụ U và tay ngang C có thể di chuyển được.

Vận hành thiết bị tháo lốp BON TC940
Chú ý: Chỉ sử dụng thiết bị thay lốp sau khi đã hiểu các hướng dẫn và cảnh bảo của thiết bị. Trước khi thực hiện các hoạt động ra vào lốp, nên xả sạch hết khí (áp suất) trong lốp và loại bỏ hoàn toàn các dị vật trên lốp (ví dụ Chì cân bằng động). Tránh những rủi ro không đáng có trong khi vận hành thiết bị ra vào lốp
Ép mép lốp
Người vận hành nên rất cẩn thận khi thực hiện ép mép lốp. Khi bàn đạp điều khiển ép lốp được kích hoạt thì tay đầu ép sẽ hoạt động nhanh chóng và mạnh cho nên nó sẽ nguy hiểm thâm chí có thể nghiền nát bất cứ thứ gì trên hành trình hoạt động của nó.
Xả hết hoàn toàn hơi ở bánh xe
Nhấn bàn đạp để chấu kẹp đóng hoàn toàn trên mâm xoay
Nghiêng (Tựa) bánh xe lên giá đỡ ở bên phải của máy ra vào lốp , đưa lưỡi ép mép lốp tới gần mép lốp, cách lốp khoảng 1cm và nhấn bàn đạp . Như thế mép lốp và la zăng đã được tách rời, nhấn bốn xung quanh hướng lốp sao cho mép lốp được tách ra hoàn toàn. Khi xong mặt bên này rùi thì xoay lại bánh xe và thực hiện nốt mặt còn lại, thao tác cũng tương tự như thao tác ở mặt trước.
Tháo lốp ra khỏi vành
Chú ý :
Trước khi thực hiện ra lốp, đảm bảo đã gỡ bỏ tất cả các dị vật (bao gồm cả Chì cần bằng lốp) trên lốp xe và kiểm tra tình trạng mòn của lốp.
Khi nghiêng cột đứng phải đảm bảo không có người đứng sau máy ra vào lốp.
Trong khi khóa vành, không được để tay phía dưới lốp. Vị trí chính xác để cố định lốp là khi lốp nằm đúng trung tâm của mâm xoay.
Người vận hành không được phép đặt tay lên các bánh xe khi đang thực hiện kẹp. Khi cột nghiêng về vị trí làm việc có thể tay sẽ bị kẹp lại giữa lốp và vành với đầu làm việc, như thế rất nguy hiểm.
Để tránh gây hư hỏng cho Xăm (nếu có) thì vị trí van khi kẹp lốp nên nằm ở phía bên phải của đầu móc lốp (mỏ vịt) và cách đầu móc lốp khoảng 10 cm
Nhấn bàn đạp (H) cho cột nghiêng một góc để dễ lau sạch mâm xoay.
Tiếp theo nhấn bàn đạp (H) để điều chỉnh cột (hình 2-1 U).
Đặt các núm khóa ở vị trí Y , nhả khóa của tay công cụ M. Xoay tay công cụ xuống đến khi đầu công cụ (mỏ vịt) sát trên mép vành. Đặt các núm khóa về vị trí Z để khóa toàn bộ công cụ lắp ghép. Khóa này đã bao gồm khóa dọc và ngang. Khoảng cách giữa đầu công cụ (mỏ vịt) và vành nên để 2 mm .

Chèn đầu lavia (xà beng) vào giữa mép lốp và đầu móc lốp (mỏ vịt) , kéo mép lốp lên trên đầu móc lốp
Đồ trang sức như vòng cổ, vòng tay, đồng hồ, quần áo rộng hay bất cứ thứ gì mang trên người mà không được gọn gàng, đều có thể gây mất an toàn cho người vận hành.
Chú ý: Đồ trang sức như vòng cổ, vòng tay, đồng hồ, quần áo rộng hay bất cứ thứ gì mang trên người mà không được gọn gàng, đều có thể gây mất an toàn cho người vận hành.
Dùng Lơvia (xà beng) để đưa mép lốp đến vị trí của đầu móc lốp (đầu mỏ vịt) . Tiếp theo nhấn bàn đạp điều khiển mâm xoay, mâm xoay sẽ xoay theo chiều kim đồng hồ cho đến khi toàn bộ mép lốp thoát ra khỏi vành. Nếu là lốp có xăm, để tránh làm hỏng xăm nên giữ khoảng cách từ van đến đầu móc lốp một khoảng 10 cm

Để tháo xăm của lốp, nhấn bàn đạp (H) để nghiêng cột đứng (U) nhưng không mở các chốt khóa tay công cụ. Lặp lại các thao tác trên với mép lốp còn lại (mép lốp phía đối điện).

Thao tác lắp lốp vào Lazang
Việc quan trọng đấu tiên là phải kiểm tra tính trạng vành và lốp để tránh hiện tượng rò gỉ trong quá trình bơm lốp. Trước khi lắp lốp cần phải đảm bảo rằng:
Các lớp bố (thép, vải) và lốp xe không bị hư hỏng, nếu có bất kỳ sự hư hỏng nào thì không tiến hành lắp lốp vào vành.
Không có bất kỳ vết lõm hay vết nứt trên bề mặt vành hợp kim nhôm vì nó rất nguy hiểm, đặc biệt là khi bơm lốp.
Sử dụng các loại dầu, mỡ chuyên dụng để bôi lên mép lốp để tránh hư hỏng cho mép lốp và đồng thời hỗ trợ cho việc vào lốp dễ dàng hơn.
Trong khi khóa vành, không được để tay phía dưới lốp. Vị trí chính xác để cố định lốp là khi lốp nằm đúng trung tâm của mâm xoay.
Phạm vi kẹp của máy ra vao lốp là 22 inch: 10-20 inch kẹp ngoài và 12-24 inch kẹp trong
Khi nghiêng cột đứng phải đảm bảo không có người đứng sau máy ra vào lốp
Khi thực hiện trên các lốp có kích thước vành như nhau, thì không nhất thiết phải thường xuyên khóa hoặc mở khóa công cụ (tay mang đầu móc lốp) mà thay vào đó là hạ cột hoặc nó đến vị trí làm việc. Tay công cụ được giữ nguyên tại các vị trí làm việc
Người vận hành không được phép đặt tay lên các bánh xe khi đang thực hiện kẹp. Khi cột nghiêng về vị trí làm việc có thể tay sẽ bị kẹp lại giữa lốp và vành với đầu làm việc, như thế rất nguy hiểm.
Xoay lốp để mép lốp nằm dưới mặt trước của đầu móc lốp, dùng tay để nhấn mép lốp vào rãnh của vành, tiếp theo nhấn bàn đạp (K) để mâm xoay quay theo chiều kim đồng hồ cho đến khi lốp vào vành hoàn toàn.
Để tránh xảy ra tai nạn, người vận hành nên tránh xa cánh tay công cụ (tay ngang mang đầu móc lốp) khi mâm xoay đang quay.
Đưa xăm vào (nếu có) và lặp lại các hoạt động như trên với mép lốp còn lại.
Khi thực hiện hoạt động ra/ vào lốp, mâm xoay nên quay theo chiều kim đồng hồ. Mây xoay chỉ quay ngược chiều kim đồng hồ khi việc ra/ vào lốp bị lỗi hoặc sự cố.
Bơm lốp khi đã đưa lốp vào la zăng
Súng bơm là dụng cụ luôn luôn đi cùng với thiết bị ra vào lốp. Súng bơm lốp luôn có đồng hồ đo áp suất khí đi vào lốp
Khi bơm lốp phải hết sức thận trọng. Nghiêm chỉnh thực hiện theo các hướng dẫn dưới đây. Máy ra vào lốp được thiết kế và chế tạo không bao gồm chức năng bảo vệ những người xung quanh khi lốp xe bất ngờ phát nổ.
Lốp bị rò có thể là nguyên nhân dẫn đến những thiệt hại nghiêm trọng cho người vận hành thiết bị, thậm chí có thể dẫn đến tử vong. Kiểm tra thật kỹ kích thước của vành và của lốp, phải đảm bảo chúng có cùng kích cỡ như quy định. Trước khi thực hiện bơm lốp, nên kiểm tra lại tình trạng của lốp và vành. Kiểm tra áp suất sau khi bơm, áp suất tối đa được đặt là 3,5 bar = 51 psi, không nên bơm với áp suất cao hơn giá trị quy định của nhà sản xuất. Đặc biệt, khi bơm lốp nên giữ khoảng cách xa nhất có thể với lốp.
Quy trình bơm lốp thông thường
1, Kết nối đồng hồ đo bơm lốp với van lốp.
2, Kiểm tra kích thước của lốp có tương ứng với kích thước của vành.
3, Kiểm tra tình trạng bôi trơn mép lốp, nếu cần thiết cần phải bôi bổ sung.
4, Bơm lốp. Kiểm tra mức áp suất trên đồng hồ đo áp suất.
5, Tiếp tục bơm, luôn kiểm tra áp suất trong khi bơm.
Lắp đặt và sử dụng hệ thống hỗ trợ PL 330 máy ra vào lốp
Ở phía bên trái và bên phải của tấm cơ sở trên thân thiết bị đã có sẵn các lỗ chờ để lắp hệ thống tay hỗ trợ cho việc xử lý các lốp có đường kính trên 20 inch. Trước khi tiến hành lắp đặt, tháo các bảng điều khiển ở bên và gỡ bỏ các nút cao su trên lỗ chờ lắp ghép.
Chú ý : Khi lắp đặt, phải ngắt nguồn điện và nguồn khí.
Tháo hộp phụ kiện tay hỗ trợ PL 330.
Kiểm tra các phụ kiện theo danh mục đóng gói. Sau đó tháo các đầu chờ lắp ráp trên thân thiết bị ra vào lốp, tháo các ốc vít và vòng đệm
Đẩy các đầu lắp ghép vào các đầu chờ phía bên trái trên thân thiết bị sao cho các lỗ bắt bulông trùng khít nhau rồi sử dụng các bulông, long đen để cố định vị trí.
Lắp đặt khung ( A) vào gối đỡ, điều chỉnh và sử dụng ốc vít để cố định vị trí, tuy nhiên không xiết vít quá chặt .
Lắp đặt và sử dụng tay hỗ trợ
Lắp đăt hệ thống phụ trợ trái
Chú ý : Khi lắp đặt phải ngất tất cả nguồn khí và nguồn điện tránh những tai nạn không đáng có cho người và thiết bị ra vào lốp chuyên nghiệp
. Ở phía bên trái và bên phải của tấm cơ sở trên thân thiết bị ra vào lốp đã có sẵn các lỗ chờ để lắp hệ thống tay hỗ trợ cho việc xử lý các lốp có đường kính trên 20 inch. Trước khi tiến hành lắp đặt, tháo các bảng điều khiển ở bên và gỡ bỏ các nút cao su trên lỗ chờ lắp ghép.
Đẩy các đầu lắp ghép vào các đầu chờ phía bên trái trên thân máy ra vào lốp sao cho các lỗ bắt bulông trùng khít nhau rồi sử dụng các bulông, long đen để cố định vị trí
Lắp đặt khung vào gối đỡ, điều chỉnh và sử dụng ốc vít để cố định vị trí, tuy nhiên không xiết vít quá chặt .
Sử dụng giá cố định để kết nối thân giá và thân sau đó lắp vít để cố định
Kết nối với dây nguồn khí và sử dụng đầu nối chữ Y để kết nối với dây khí ra, đầu còn lại kết nối với đầu vào của van điều chỉnh áp suất khí.
Kết nối nguồn khí, lắp thanh có con lăn nhấn hình côn vào trong lỗ trục xoay của tay xoay. Dùng tay điều chỉnh các van sao cho mũi của hình nón trùng với tâm mây xoay. Nếu không trùng thì điều chỉnh trên các ốc vít của phần nối thân cho đến khi trùng. Sau khi điều chỉnh xiết chặt các bulông.


Điều chỉnh vào vị trí giá cố định trên thân tay và cố định hộp công cụ lên giá cố định rồi sử dụng nút khóa để khóa lại.
Hướng dẫn sử dụng thiết bị phụ trợ trái
Sau khi tháo lốp xe chúng ta thực hiện các thao tác sau.
Đầu tiên, Đặt các chấu kẹp theo kích thước của lốp xe.
Sau đó kẹp vành bằng các chấu kẹp sao cho vị trí của đầu nhấn hình côn ở vị trí trung tâm của vành. Kích hoạt van tay để nhấn xuống vành cho đến khi mép ngoài của vành thấp hơn so với bề mặt của các chấu kẹp. Lúc này, thực hiện khóa vành ngay lập tức. Nâng cánh tay hỗ trợ lên và đặt nó về vị trí làm việc, cất đầu nhấn hình côn vào giá đỡ.

Sử dụng đầu nhấn để nhấn một phần lốp xuống cho tách ra khỏi vành, rồi sử dụng chổi chuyên dụng bôi chất bôi trơn lên mép lốp. Đặt đầu mỏ vịt (đầu móc lốp) đến vị trí móc lốp. Đưa đầu nhấn sang bên cạnh đầu móc lốp để nhấn xuống mép lốp và đưa lơvia (xà beng) bên dưới đầu móc lốp giữa vành và mép lốp sau đó nâng đầu nhấn và di chuyển nó đến vị trí đối diện với đầu móc lốp và nhấn xuống lốp cho mép lốp thoát khỏi rãnh, xoay lơvia để nâng mép lốp lên trên đầu móc lốp . Xoay mâm xoay để tách mép lốp trên ra khỏi vành, như hình dưới.



Tháo mép lốp dưới: Sử dụng đĩa nâng phía dưới của lốp tại phần mép và tháo mép lốp dưới theo các bước tháo lốp như thông thường.

Sử dụng hệ thống hỗ trợ để vào lốp
Trước tiên, theo các bước lắp (vào) thông thường, mép lốp dưới và sử dụng đầu nhấn để nhấn mép lốp dưới Xoay mâm xoay khoảng 900 sau đó kẹp đầu nhấn trong đầu móc lốp và tiếp trục xoay mâm xoay cho đến khi hoàn thành.
Lắp đặt và sử dụng hệ thống phụ trợ phải cho máy ra vào lốp
Mở bao bì đóng gói và kiểm tra phụ kiện theo danh sách đóng gói
Làm sạch các chi tiết trước khi lắp ghép. Cách lắp ghép được thể hiện và chuẩn bị các công cụ cần thiết.
Danh sách phụ kiện:
A - Tấm cố định
B - Hai bộ vít M10 x 20 (long đen phẳng)
C - Hai bộ vít M10 x 25 (đai ốc, long đen phẳng)
D - Bốn bộ vít M10 x 130 (đai ốc, long đen phẳng)
E - Ống PU f 8
F - Đầu nối chữ T f 8
J - Tấm đế
H - Miếng đệm
I - Hộp công cụ

Hệ thống phụ trợ bên phải thiết bị ra vào lốp
Trước tiên, đặt miếng đệm ở trên lên vị trí cột thép U sao cho 4 lỗ trên miếng đệm trùng với tấm đế.
Đặt phần thân trên bên phải của tay hỗ trợ trên miếng đệm và sử dụng các vít để chèn vào vị trí ốc vít tương ứng , lắp ráp các đệm phẳng (long đen phẳng) và sử dụng đầu đai ốc để xiết lại.
Tháo bỏ đầu ống kết nối với nguồn khí nén và sử dụng đầu nhỏ của ống PU f 8 kết nối đến đầu nối chữ T với đầu ra, đầu còn lại kết nối với ống nguồn khí nén.
Lắp một đầu ống PU f 8 vào một đầu của đầu nối chữ T và một đầu kết nối với đầu vào của van điều chỉnh áp lực khí nén.
Sử dụng chi tiết để cố định chi tiết trên các vị trí tương ứng của cột tay hỗ trợ và xiết lại. Sử dụng chi tiết để cố định chi tiết cùng với chi tiết và xiết lại.
Hiệu chỉnh theo chiều dọc (chiều đứng) của cột tay hỗ trợ:
Theo thực tế có thể nới lỏng các ốc vít, điều chỉnh lực căng của vít trên tấm đế của tay hỗ trợ để xác định vị trí chính xác của cột đứng. Nếu cột nghiêng ra ngoài, nên hiệu chỉnh hai ốc vít bên ngoài theo chiều kim đồng hồ để cột về vị trí thẳng đứng và nếu cột nghiêng vào bên trong, thì xoay hai ốc vít bên trong theo chiều kim đồng hồ. Sau khi điều chỉnh cột đạt yêu cầu, xiết chặt lại 4 ốc vít trên tấm đế.
Kết nối nguồn khí nén, đẩy tay van lên trên khi đó tay hỗ trợ sẽ trượt lên. Nếu tay van được gạt xuống, tay hỗ trợ sẽ trượt xuống dưới. Nếu không có hiện tượng hở khí nén, việc di chuyển và trược của các bộ phận là bình thường thì coi như việc lắp đặt tay hỗ trợ đã hoàn thành.
Sử dụng hệ thống phụ trợ phải
Chuẩn bị như bình thường khi ra lốp và kẹp lốp trên mâm xoay.
Kích hoạt từ từ xi lanh mang đầu nhấn để nhấn xuống lốp và xoay mâm xoay, đồng thời sử dụng chổi chuyên dụng để bôi mỡ (chất bôi trơn) lên mép lốp và vành.
Đưa cột vào vị trí làm việc và cố định đầu móc lốp vào vị trí để tháo (ra) lốp.

Tay hỗ trợ tỳ lốp

Hỗ trợ móc lốp
Đưa lưỡi Lơvia (xà beng) vào giữa mép lốp và vành và kích hoạt tay van để nâng đầu nhấn lên phía trên. Lật lơvia để đưa mép lốp lên trên đầu móc lốp sau đó xoay mâm xoay theo chiều kim đồng hồ cho đến khi toàn bộ mép lốp trên được tách ra khỏi vành.
Sử dụng đầu móc lốp như là một giá đỡ và chèn lơvia vào mép lốp dưới. Sử dụng đĩa để nâng lốp từ phía dưới cho đến khi chạm vào cạnh trên của vành và sau đó hạ đĩa xuống vị trí nghỉ (vị trí không làm việc).
Lật lơvia để nhấc mép lốp dưới lên trên đầu móc lốp. Xoay mâm xoay theo chiều kim đồng hồ cho đến khi lốp được tháo ra khỏi vành.

Tay hỗ trợ nâng lốp
Dùng thiết bị hỗ trợ để vào lốp
Trước khi vào lốp nên làm sạch dầu, bụi và gỉ sét (nếu có) trên vành và bôi mỡ bôi trơn lên mép trên và mép dưới của lốp đặc biệt là lần vào lốp đầu của mép lốp đầu tiên.
Đặt mép lốp lên trên phần chuôi của đàu móc lốp sau đó nhấn đầu nhấn lốp lên lốp để mép lốp xuống thấp hơn đầu móc lốp. Xoay mâm xoay theo chiều kim đồng hồ một góc 900 sau đó đưa thêm tay trợ ép lốp vào. Nếu có hai tay hỗ trợ, bạn có thể dùng tay hỗ trợ trái để thay thế cho khóa nhấn lốp cho đến khi mép lốp được tách ra khỏi rãnh. Sau đó tiếp tục quay mâm xoay cho đến khi việc lắp lốp hoàn tất.

 Hỗ trợ
Hỗ trợ Hướng dẫn
Hướng dẫn







Bình luận
Để lại bình luận