Hướng dẫn sử dụng máy ra vào lốp Corghi A224 bằng tiếng Việt cho những người đang sử dụng thiết bị nhằm tránh những sai sót không đáng có trong quá trình thao tác, đồng thời làm tăng tuổi thọ của thiết bị.
Chú ý : Thận trọng tối đa khi tháo dỡ bao bì, lắp ráp, lắp đặt máy như mô tả trong mục này
Việc không tuân thủ hay làm sai những hướng dẫn này có thể dẫn tới việc máy bị hư hại và gây chấn thương cho người sử dụng hoặc những người khác.
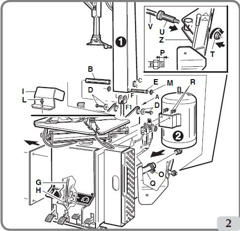
Dỡ phần nắp trên của bao bì và chắc chắn rằng máy ra vào lốp không bị thiệt hại, xác định những vị trí mà máy được gông vào pallet (hình 1).

Máy bao gồm 5 bộ phận chính (hình 1):
- Trụ gật gù.
- Bình tích khí (chỉ có ở phiên bản T.I).
- Hộp chứa đồng hồ báo áp suất (chỉ có ở phiên bản T.I).
- Nắp bảo vệ trụ gật gù.
- Thân máy.
Một khi bạn tháo dỡ trụ đứng xuống thì tốt nhất nên đặt nó nằm ngang để tránh trường hợp bị rơi và hư hỏng.

Tháo nắp bên trái máy ra vào lốp ra ngoài.
Lắp đường dây khí G (hình 2) vào lỗ A dưới xy lanh của trụ gật gù.
Lắp chốt B vào lỗ C và khóa chặt nó bằng ốc và long đen D.
Lắp chốt E vào lỗ F và vào trong đầu gá xy lanh của trụ gật gù F1 và khóa nó lại bằng vòng hãm M.
Kết nối đường ống G để lien kết khí với van nâng trụ gật gù H.
Lắp đầu của bình tích khí 2 vào ống Q, giữ bình tích bằng bu lông và long đen R rồi siết chặt qua – nhê O vào đường ống Q (chỉ có ở phiên bản T.I).
Mở tay ép lốp Z ra.
Lắp gối đệm U vào lỗ của trục kéo ép lốp V, sau đó kéo tay ép lôp vào để trục kéo xuyên qua lỗ xoay.
Không được vặn ốc T trước khi máy được lắp đặt và đấu khí hoàn chỉnh. Vặn nó vào đến khi khoảng thừa ra là 3 – 4 mm.
Lắp chụp bảo vệ trụ gật gù bằng cách vặn ốc L cùng với long đen vào vị trí thích hợp.
Lắp nắp chắn bên trái vào.

Vị trí dùng khi nâng bắt buộc phải được sử dụng bất cứ khi nào bạn muốn thay đổi vị trí của máy rao vào lốp corghi
Không được di dời máy thay lốp Corghi A224 khi mà chưa ngắt nguồn điện và nguồn khí nén khỏi máy.
Không gian lắp đặt máy thay lốp Corghi A224
Chọn nơi lắp đặt tuân thủ theo những quy chuẩn yêu cầu về an toàn nơi làm việc.
Một cách chính xác, để an toàn cho thiết bị và người sử dụng phải đảm bảo về độ sáng tối thiểu nơi sử dụng máy là 300 lux.
Đặt máy ra vào lốp ở vị trí làm việc được thiết kế phải theo các yêu cầu về khe hở tối thiểu như thể hiện ở hình 4.

Không gian lắm đặt máy ra vào lốp Corghi A224
Nhiệt độ môi trường lý tưởng để thiết bị ra vào lốp hoạt động từ : 0 độ C - 50 độ C
Độ ẩm tương đối cho phép từ 30% đến 95% không bị ngưng tụ
Chú ý: Không được đặt máy ra vào lốp ngoài trời
Không được đặt máy gần nơi dễ cháy nổ
Không được đặt ở nhưng nơi có độ ồn lớn
Cấp nguồn điện và khí nén cho phù hợp cho thiết bị thay lốp
Tất cả các hoạt động trong đấu điện cho máy thay lốp phải được thực hiện bởi một người thợ điện có đủ trình độ.
Việc cấp điện cho máy phải phù hợp theo các chỉ tiêu liên quan sau:
- Thông số kỹ thuật của dòng điện sử dụng ghi trên mảng dữ liệu thông số của máy.
- Khoảng cách giữa máy thay lốp với điểm nối điện cung cấp, để điện áp rơi không vượt quá 4% (10% trong khi khởi động) dưới mức điện áp ghi trên mảng dữ liệu thông số của máy.
Người sử dụng phải trang bị cho thiết bị cân bằng lốp những thành phần sau:
- Một phích cắm điện phù hợp với các tiêu chuẩn an toàn về điện.
- Một atomat phù hợp (với lượng dư sử dụng đến 30 mA) trong mạch nối chính.
- Một cầu chì có các thông số phù hợp với thông số trong mạch nối dây chính có trong cuốn sách này.
- Một hệ thống nối đất thích hợp được đặt trong môi trường làm việc chính của xưởng.
Chú ý : Để tránh những trường hợp tự ý sử dụng máy, luôn luôn ngắt phích cắm nguồn khi máy không được sử dụng trong thời gian dài.
Nếu máy được nối trực tiếp với nguồn thông qua bảng điện chính mà không dùng phích cắm, nên lắp một thiết bị đóng ngắt máy kèm theo để hạn chế sử dụng máy đối với nhân viên không có trình độ.
Để có được sự vận hành chính xác, hệ thống khí nén cung cấp phải được duy trì ở mức 8 bar đến 16 bar.
Chú ý : Để có được sự chính xác và an toàn sử dụng, máy ra vào lốp phải được nối đất phù hơp.Không bao giờ được nối đất với các đường ống khí, đường dây điện thoại hoặc những hệ thống tạm thời khác.
Trước khi thực hiện những hoạt động liên quan tới điện và khí nén đối với máy ra vào lốp, hãy chắc chắn rằng máy được lắp ráp đúng như mô tả của hình dưới đây (hình 5).

Bàn đạp A và B(nếu trang bị) phải ở vị trí nhấn cao nhất.
Trụ gật gù C phải đứng thẳng (không nghiêng).
Nhứng cảnh báo an toàn cho người và thiết bị ra vào lốp Corghi A224
Máy ra vào lốp Corghi A224, máy ra vào lốp Itlay được phân phối độc quyền bởi công ty cổ phần thiết bị Tân Phát chỉ được sử dụng bởi người có trình độ và được ủy quyền.
Một người vận hành có trình độ được hiểu là người đã đọc và hiểu những hướng dẫn của nhà sản xuất, được đào tạo phù hợp, và được chuyển giao những quy định về an toàn và hiệu chỉnh trước khi vận hành.Người vận hành cấm không được sử dụng máy ra vào lốp dưới tác động của rượu bia hoặc ma túy hay những chất gây ảnh hưởng tới thể chất và tinh thần.
Các điều kiện sau đây là rất quan trọng:
Người sử dụng phải đọc và hiểu hết tất cả các thông tin trong cuốn sách hướng dẫn này.
Chắc chắn rằng bạn có thể hiểu biết thấu đáo về khả năng và đặc điểm của máy.
Đảm bảo an toàn cho người không được được ủy quyền khi gần khu vực vận hành máy.
Chắc chắn rằng máy thay lốp đã được lắp đặt theo đúng tiêu chuẩn.
Đảm bảo chắc chắn rằng tất cả những người vận hành máy đã được đào tạo, họ có khả năng vận hành máy chính xác và họ được giám sát đầy đủ trong suốt công việc của họ
Không bao giờ để ốc, bu lông, dụng cụ hoặc các thiết bị khác lên trên máy vì nó có thể gây kẹt các bộ phận chuyển động trong quá trình làm việc.
Không được chạm vào đường dây điện, vỏ mô tơ hoặc các thiết bị điện khác khi chưa ngắt nguồn điện và khóa lại.
Đọc kỹ cuốn hướng dẫn sử dụng này và học cách sử dụng máy một cách chính xác và an toàn.
Luôn luôn giữ cuốn hướng dẫn sử dụng này ở nơi có thể dễ dàng sử dụng khi vận hành máy ra vào lốp và có thể đọc nó bất cứ lúc nào cần tham chiếu hoặc giải thích.
Khi sử dụng hoặc bảo trì máy ra vào lốp cần tuân thủ các quy định về phòng ngừa tai nạn trong công nghiệp đối với thiết bị công nghiệp sử dụng điện áp cao.
Bất kỳ những thay đổi trái phép nào không được gửi tới nhà sản xuất sẽ bị từ chối trách nhiệm trong các trường hợp thiết bị bị hư hỏng hoặc có tai nạn xảy ra. Đặc biệt là trường hợp tự ý làm xáo trộn hoặc gỡ bỏ các thiết bị an toàn của máy là một vi phạm trong quy định về phòng ngừa tai nạn trong công nghiệp.
Chú ý : Không được phép bóc hoặc dán đè lên các đề can về an toàn, nguy hiểm, cảnh báo hoặc hướng dẫn. Thay thế những đề can bị mất hoặc không đọc rõ được. Những đề can bị mất hoặc không nhìn rõ có thể được cung cấp tại các đại lý gần nhất của Corghi.
Trong khi vận hành hoặc sửa chữa thiết bị Corghi thì không được phép thắt cà vạt, quần áo rộng lung thùng, đeo dây chuyền hoặc đồng hồ đeo tay hay bất cứ những đồ vật nào có thể dẫn tới kẹt bộ phận chuyển động khi máy đang làm việc. Buộc lại mái tóc dài và chụp lại bằng khăn hoặc mũ.
Thống số kỹ thuật của máy ra vào lốp Corghi A224
Máy ra vào lốp Corghi A224 là một máy ra vào lốp kiểu điện – khí nén.
Máy được thiết kế để vào và ra lốp với tất cả các loại lốp có khối lượng và kích thước được mô tả như trong tiêu mục Thông Số Kỹ Thuật Chi tiết máy ra vào lốp Corghi A224
Máy được thiết kế chắc chắn. Nó hoạt động với bánh xe được đặt theo phương đứng cho việc ép lốp và đặt theo phương nằm ngang trong việc ra, vào lốp. Tất cả các chuyển động của máy được thực hiện thông qua bàn đạp bởi người vận hành.
Thông Số Kỹ Thuật Chi tiết máy ra vào lốp Corghi A224
Khả năng của bàn kẹp:
Kẹp trong............................................................................... tối thiểu 13’’
Kẹp ngoài ............................................................................ từ 10’’ đến 24’’
Độ rông vành .......................................................................... từ 3.5’’ đến 14’’
Lực ép lốp................................................................................. 15000 N (tại 10 bar)
Độ mở bàn ép ......................................................................... 360 mm
Đường kính lốp lớn nhất......................................................... 1100 mm
Độ rông lớn nhất của lốp ...................................................... 360 mm (14’’)
Áp suất khí nén ...................................................................... 8 đến 10 bar
Điện áp nguồn cung cấp:
3 pha....................................................................................... 230/ 400±10%V 50/ 60 Hz
1 pha ..................................................................................... 115/ 230±10%V 50/ 60 Hz
DV........................................................................................... 230± 10%V 1pha 50/ 60 Hz
Khối lượng ..................................................................... 235 kg (phiên bản T.I~250kg).
Độ ồn khi chạy......................................................................... ≤ 70 dB (A).
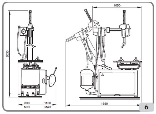
Thước giới hạn......................................................................... Hình 6.

Những phụ kiện hỗ trợ có thể lắp thêm cho máy ra vào lốp Corghi A224

SP 300.............................................................. 8-11100343 + 8-11100344.
Bộ vào lốp cho SP 300......................................................................... 8-11100026.
SP2000D ép lốp khí nén...................................................................... 801255567.
SP 2300 8-11100310/ 8-11100351/ 8-11100309/ 8-11100306.
Máy ra vào lốp A 224 được thiết kế phục vụ cho công việc ra vào lốp, sử dụng những dụng cụ mà máy được trang bị và theo sự chỉ dẫn của cuốn sách này.
Máy ra vào lốp được trang bị một hệ thống bơm lốp độc lập với các hệ thống nêu trên. Hết sức thận trọng trong khi sử dụng hệ thống bơm lốp (đọc tiêu mục BƠM LỐP).
Những bộ phận hoạt động chính của máy ra vào lốp A224

1 Công tắc khóa.
2 Trụ trượt dọc,(dùng để định vị trí mỏ vịt).
3 Mỏ vịt.
4 Trụ gật gù.
5 Kẹp vành (giữ cố định vành xe trên mâm kẹp).
6 Bàn kẹp (bàn quay bánh xe).
7 Bàn đạp điều khiển trụ gật gù (4) (bàn đạp 2 vị trí để vận hành trụ gật gù).
8 Bàn đạp điều khiển kẹp (5) (bàn đạp 3 vị trí để mở hoặc đóng kẹp lại).
9 Bàn đạp điều khiển ép lốp (bàn đạp 2 vị trí để vận hành bộ phận ép lốp (11).
10 Bàn đạp điều khiển quay mâm kẹp (6) (bàn đạp 3 vị trí).
- Vị trí 0: Mâm kẹp đứng yên
- Nhấn xuống (dung chân): Quay theo chiều kim đồng hồ với tốc độ quay tỉ lệ thuận với lực đạp.
- Nâng lên (dùng chân): Quay với một tốc độ và ngược chiều kim đồng hồ.
11 Móng ép lốp (dịch chuyển để ép mép lốp tách khỏi mép vành xe).
12 Cụm lọc/bổ sung dầu và chỉnh áp suất khí đầu vào (điều chỉnh áp suất, xả nước, bổ sung dầu đối với khí cung cấp.
13 Mặt giữ vành.
14 Bộ phận phụ trợ ép lốp mỏng (kéo ra và làm mặt tì cho lốp).
15 Đồng hồ áp suất (dung để đọc áp suất lốp), (chỉ có ở phiên bản T.I).
16 Núm xả khí (nhấn núm này để xả bớt khí trong lốp ra ngoài), (chỉ có ở phiên bản T.I).
17 Kẹp van (bộ phận để gắn với van khí bơm lốp).
18 Van giảm áp an toàn (áp suất tối đa là 12 bar), (chỉ có ở phiên bản T.I).
19 Bình tích khí (chỉ có ở phiên bản T.I).
20 Bàn đạp bơm lốp (chỉ có ở phiên bản T.I).
21 Súng bơm lốp.
Chý ý những ngùy hiểm hay say ra khí làm việc với máy ra vào lốp Corghi A224

Những chú ý khi tháo lốp ra ngoài la zăng

A Bên hẹp ~ mặt để vào lốp.
B Độ lệch của 2 phần vành.
C Mép vành (gờ tăng cứng).
D Bên rộng ~ bạn không thể vào lốp từ mặt này.
Hai bên có thể tương tự nhau, nhưng chỉ có bên hẹp mới có thể thực hiện việc ra, vào lốp.
Nhận định mặt ra, vào lốp và phải chắc chắn rằng nó đối diện với mặt kia khi bạn đặt lốp lên trên vành (hướng về phía đầu mỏ vịt).
Một số loại vành hợp kim cần lưu ý khi sử dụng thiết bị ra vào lốp
Vành không có độ lệch
Một số loại vành hợp kim trên thị trường có gờ vành rất nhỏ hoặc có thể không có độ lệch (Vành không được DOT thông qua).
Hình 9a.

Chú ý : Khi thao tác với loại vành này có thể gây hỏng lốp, vành hoặc cả hai, với nguy cơ gây nổ dưới áp suất cao là nguyên nhân dẫn tới chấn thương hoặc tử vong. Khi vào lốp trên vành xe kiểu này cần chú ý hết sức thận trọng.
Vành xe hiệu suất cao kiểu châu âu
Một vài vành xe Châu Âu có độ cong rất rõ ngoại trừ vị trí van. Ở bánh xe kiểu này, việc ép lốp phải được thực hiện tương ứng ở cả 2 phía trên và dưới của bánh xe tại vị trí van.

A Lỗ van.
B Độ cong nhỏ (slight curvature).
C Độ cong rõ ràng (pronounced curvature).
Vành xe của Corvette, BMW, Lamborghini và một số loại vành xe khác có hệ thống giám sát áp suất lốp.
Một số loại vành xe hiệu suất cao được trang bị bộ truyền tín hiệu áp suất lốp gắn vào vành ở phía đối diện van nhờ một đai. Đối với bánh xe kiểu này thì khi ép lốp ta cần ép ban đầu ở vị trí tương ứng với van ở cả 2 mặt của vành xe.Hình 9c.

A Lỗ van.
B Bộ truyền tín hiệu.
C Đai gắn.
Quy trình tháo lốp và lắp lốp trên thiết bị ra vào lốp Corghi A224
Bước 1: Ép Lốp
Xả hết khí ra khỏi bánh, tháo van ra.
Điều chỉnh vị trí, độ dài của tay ép lốp bằng chốt như hình 10, tùy theo lốp.

Mang bánh xe vào vị trí như hình 11 và kéo móng ép lốp áp sát mép vành.

Thận trọng: Trong suốt quá trình ép lốp, bạn phải cho mâm kẹp đóng lại (đóng kẹp về vị trí trung tâm), (hình 11A).
Nhấn bàn đạp 10 (hình 11) để tiến hành ép lốp và tách mép lốp ra khỏi mép vành.
Lặp lại các thao tác trước đó tại các vị trí khác trên toàn bộ mép lốp và mặt còn lại của bánh xe.
Sau khi ép lốp xong, tháo bỏ các chì cân bằng ra khỏi vành xe.
Bước 2: Tháo lốp ra khỏi vành
Bôi trơn toàn bộ mép lốp ở cả hai mặt để việc ra lốp dễ dàng hơn và tránh bị hỏng mép lốp (hình 12).

Nghiêng trụ gật gù về phía sau bằng cách nhấn giữ bàn đạp điều khiển về vị trí khóa (hình 13).

Cho chốt kẹp đóng lại hoặc mở ra (hình 14).

Mang bánh xe lên mâm kẹp máy ra vào lốp (bên hẹp của vành đặt ở phía trên), ấn nhẹ nó xuống đồng thời đạp bàn đạp điều khiển kẹp khóa chặt vành xe lại (hình 14a).
Mang trụ gật gù về vị trí làm việc (hình 15).
Bấm công tắc ra phía ngoài để tay kéo ngang và trụ trượt dọc được tự do (hình 15a) và đưa đầu mỏ vịt đặt chuẩn xác vào sát mép vành (hình 16).
Thận trọng: Đóng công tắc khóa, điều này sẽ làm cho cơ cấu trượt dọc và tay trượt. ngang ở trạng thái bị khóa, và có thể trụ trượt dọc sẽ di chuyển nhẹ lên một chút từ phía vành xe (hình 16a).
Khoảng hở giữa mỏ vịt với vành xe được cố định bằng công tắc khóa đặt ở vị tri khóa.
Người vận hành có thể nghiêng trụ gật gù về phía sau rồi đưa nó trở lại làm việc mà không phải chỉnh lại vị trí của trụ trượt dọc và đầu mỏ vịt đối với những vành có kích thước giống nhau.

Hình ảnh minh họa

Cho đầu đòn bẩy mép lốp vào dưới mép lốp trên và ở trên đầu mỏ vịt (hình 17).
Khi làm với vành hợp kim đắt tiền hoặc vành có sơn bề mặt thì bạn nên rút đòn bẩy mép lốp ra trước khi ra lốp.
Chú ý : Cầm chắc dòn bẩy lốp trong quá trình sử dụng
Nâng mép lốp trên lên trên đầu mỏ vịt một chút và dùng lực ép đòn bẩy lốp về phía đối xứng với điểm móc lốp tại mặt trên của vành (hình 17a) để phần lốp gần nhất rời khỏi rãnh của vành.
Nhấn bàn đạp điều khiển quay mâm kẹp theo chiều kim đồng hồ. Cứ như vậy thì mép lốp phía bên trên sẽ tự động thoát được ra khỏi vành (hình 18).

Lặp lại 3 thao tác cuối cùng với mép dưới của lốp để tách nó ra khỏi vành.
Nghiêng trụ gật gù ra phía sau.
Chú ý: Nếu lốp có săm, sau khi tách mép lốp trên ra khỏi vành thì nghiêng trụ gật gù về phía sau rồi rút săm ra khỏi lốp trước khi thực hiện ra nốt mép lốp còn lại.
Mâm kẹp có thể ngừng quay bất cứ lúc nào bạn nhả chân ra khỏi bàn đạp điều khiển quay mâm kẹp.
Rất dễ dàng cho việc quay mâm kẹp ngược chiều kim đồng hồ bằng cách nâng bàn đạp điều khiển quay mâm kẹp lên vị trí trên.
Bước 3 : Sử dụng thiết bị Corghi A224 Vào lốp
Chú ý : Luôn luôn kiểm tra kích thước của bánh xe với kích thước của lốp có tương thích không trước khi thực hiện việc vào lốp.
Trước khi thực hiện công việc vào lốp, bôi trơn một cách nhẹ nhàng hết các mép lốp (hình 19).

Việc bôi trơn giúp cho công việc dễ dàng xử lý hơn và tránh gây hư hỏng có thể xảy ra
Chắc chắn rằng lốp còn sử dụng tốt và không có dấu hiệu bị hư hỏng.
Đặt lốp lên trên vành và di chuyển trụ gật gù về vị trí làm việc (vị trí đứng thẳng)
Gá mép dưới của lốp vào dưới đầu mỏ vịt về phía bên phải, phía bên trái thì để mép lốp lên trên mỏ vit (hình 20).

Nhấn bàn đạp điều khiển quay mâm kẹp theo chiều kim đồng hồ để vào mép lốp này. Ấn phần lốp phía đối diện với vị trí vào lốp ban đầu để giảm áp lực trong quá trình nhấn bàn đạp để việc vào lốp được dễ dàng (hình 20).
Một khi bạn đã vào được mép trên rồi thì hãy lặp lại những thao tác trên với việc vào nốt mép còn lại (hình 21).

Nghiêng trụ gật gù ra sau, nhả lốp ra và mang lốp ra khỏi máy ra vào lốp
Bơm lốp là một hoạt động có thể nguy hiểm. Luôn luôn bơm lốp với sự tuân thủ nghiêm ngặt các hướng dẫn sau.
Chú ý
Trong suốt quá trình thực hiện bước công việc này độ ồn có thể lên tới 85 dB(A). Chúng tôi khuyến cáo người sử dụng nên mang đồ bảo hộ tai.
Cảnh báo
Trong suốt quá trình đưa mép lốp vào và bơm lốp, luôn mang kính bảo hộ và đồ bảo hộ tai.
Nguy hiểm
Máy ra vào lốp, ngay cả khi được giới hạn áp suất cũng không thể tránh khỏi trường hợp nổ lốp trong khi bơm.
Việc không tuân thủ các chỉ dẫn dưới đây sẽ gây ra sự nguy hiểm trong quá trình bơm lốp.
Nguy hiểm
Không bao giờ được bơm quá áp suất tối đa theo khuyến cáo của nhà sản xuất. Nếu nó được bơm quá áp suất giới hạn thì lốp có thể bị nổ. Không được để tay hoặc bộ phận trên cơ thể chạm vào hoặc quá gần với lốp trong suốt quá trình bơm. Hãy chắc chắn rằng bạn đang hết sức tập trung trong khi bơm lốp và thường xuyên kiểm tra xem áp suất có bị vượt quá giới hạn trong khi bơm. Nổ lốp có thể gây chấn thương nghiêm trọng hoặc dẫn tới tử vong.
Nhả bánh xe ra khỏi kẹp.
Đưa tay trượt ngang ra tới vị trí dài nhất.
Hạ thấp trụ trượt dọc xuống chạm mép vành.
Khóa cơ cấu trượt dọc và ngang bằng công tắc khóa (nhấn công tắc này vào vị trí sâu nhất), mô tả trong hình 26.

Cắm đầu bơm lốp vào van (hình 17).
Bơm lốp sẽ có những tiếng nổ nhỏ của không khí.
Bơm lốp bằng sung bơm lốp và thường xuyên kiểm tra áp suất lốp hiện thời. Không bao giờ được bơm vượt quá áp suất quy định của nhà sản xuất lốp xe.
Bơm lốp không săm
Chú ý: Trước khi thực hiện các hoạt động được mô tả dưới đây, hãy chắc chắn rằng không có bụi bẩn, bụi hoặc vật thể lạ nào khác bị vướng vào ống khí ra.
Hãy chắc chắn rằng bánh xe được kẹp chặt trên mâm xoay với kẹp từ trong ra.
Cắm đầu bơm (17) từ ống khí bơm lốp vào van.
Dùng tay giữ lốp xe và nâng nó cho tới khi có một khoảng hở giữa mép dưới lốp với mép dưới của vành để ép mép trên vào.
Nhấn bàn đạp bơm lốp xuống hết cỡ trong một thời gian ngắn để ép mép lốp (hình 22a). Lốp sẽ phình ra và mép lốp được ép sát vào mép vành.

Tiếp tục nhấn bàn đạp bơn lốp cho tới khi mép lốp được ép vào vành hoàn toàn (hình 22b).
Để nâng cao hiệu quả của hệ thông bơm lốp không săm, khí nén đầu vào nên dặt ở mức 8 đến 10 bar.
Khắc phục máy ra vào lốp Corghi A224 khi có sự cố
Khi bạn nhấn bàn đạp điều khiển mâm kẹp nhưng mâm không quay
Dây dẫn điện thiếu nối đất.
- Kiểm tra mạch đấu nối.
Mô tơ ngắn mạch.
- Kiểm tra mô tơ.
Bàn đạp điều khiển mâm kẹp không trở về vị trí trung tâm.
Lò xo hồi vị bị hỏng.
- Thay lò xo mới.
Bàn đạp điểu khiển kẹp và bàn đạp điều khiển ép lốp không trở về vị trí ban đầu
Lò xo hồi vị bị hỏng.
- Thay lò xo mới.
Thiếu dầu bôi trơn.
- Bổ sung dầu bôi trơn với dầu SAE20 không chất tẩy rửa.
Khí bị rò rỉ trong máy (tháo lắp bên trái và kiểm tra rò rỉ)
Rò rỉ khí ở cốc chia khí cụm ép lốp.
- Kiểm tra hoặc thay mới cụm chia khí ra phần ép lốp.
- Kiểm tra hoặc thay mới xy lanh ép lốp.
Rò rỉ tại cụm chia khí tới bàn kẹp.
- Thay mới xy lanh kẹp.
- Thay mới đầu nối khí.
Xy lanh ép lốp thiếu lực, không thể ép lốp, rò rỉ khí
Giảm thanh bị mòn.
- Thay mới cục giảm thanh.
Lá côn bị mòn.
- Thay mới lá côn.
- Thay mới xy lanh ép lốp.
Rò rỉ khí ở trục đẩy bàn ép
Gioăng bị mòn.
- Thay mới gioăng.
- Thay xy lanh ép lốp.
Mâm xoay không xoay được
Biến tần bị hỏng.
- Thay biến tần.
Mâm xoay không thay đổi chiều quay được
Biến tần bị hỏng.
- Thay biến tần.
Đai bị đứt.
- Thay đai mới.
Bánh răng bị hỏng.
- Thay mới cụm bánh răng.
Mâm xoay không quay, mô tơ kêu khi nhấn bàn đạp điều khiển
Mô tơ chạy thiếu pha.
- Thay biến tần.
- Kiểm tra tất cả những bộ phận trên đường cung cấp nguồn: ổ cắm,phích điện, bảng cực mô tơ hoặc biến tần.
- Thay mô tơ.
Bánh răng kêu, mâm xoay được 1/3 chu trình thì dừng lại
Bánh răng bị ghì.
- Lắp lại bánh răng.
Kẹp trên mâm không kẹp được vành xe
Bàn kẹp không kẹp được vành.
- Kiểm tra xy lanh kẹp.
Chốt kẹp bị hỏng.
- Sửa hoặc hay chốt kẹp mới.
Ra vào lốp trên mâm khó
Đai không đủ độ căng.
- Căng lại dây đai hoặc thay mới.
Trụ trượt dọc quá gần hoặc quá xa vành
Miếng kẹp không được điều chỉnh.
- Điều chỉnh miếng kẹp.
Trụ trượt dọc trượt lên bị biến dạng
Miếng kẹp bị lỗi.
- Thay mới miếng kẹp.
Miếng kẹp không được điều chỉnh.
- Điều chỉnh miếng kẹp.
Khi trụ gật gù nghiêng về phía sau, tay trượt ngang và trụ trượt dọc trượt quá điểm dừng của chúng
Miếng kẹp bị lỗi.
- Thay mới miếng kẹp.
Miếng kẹp không được điều chỉnh.
- Điều chỉnh miếng kẹp.
Giới hạn trượt dọc và ngang không hoạt động
Không có khí qua cụm chia.
- Thay cụm mới.
Trụ gật gù không nghiêng được
Xy lanh của trụ không hoạt động.
- Kiểm tra hoặc thay mới xylanh.
Không có khí cấp vào cụm chia.
- Kiểm tra cum chia khí.
Khí bị thoát ra ngoài.
- Kiểm tra, thay mới cum chia hoặc xy lanh gật gù.
Khóa trụ trượt dọc không hoạt động do bì rò rỉ khí
Van bị hỏng.
- Thay van mới.
Trụ gật gù nghiêng quá nhanh hoặc quá chậm
Đấu đường khí, van xả bị lỗi.
- Điều chỉnh lại.
Đồng hồ báo áp suất lốp không thể về 0
Đồng hồ báo áp suất bị lỗi hoặc bị hỏng.
- Kiểm tra, điều chỉnh hoặc thay mới đồng hồ áp suất.
Cảnh báo
Cuốn sổ tay phụ tùng không ủy quyền cho người dùng để thực hiện các công việc trên máy ngoại trừ những công việc được mô tả cụ thể trong cuốn hướng dẫn sử dụng nhưng cho phép người dùng tham chiếu những dịch vụ hỗ trợ với những thông tin chính xác trong những yêu cầu giảm thời gian trễ.
Tag: cầu nâng ô tô, phòng sơn ô tô, máy ra vào lốp, máy cân bằng lốp, thiết bị kiểm tra góc đặt bánh xe

Hỗ trợ
Hướng dẫn







Bình luận
Để lại bình luận